Leírás és Paraméterek
Europrofilú hengerzárbetétes, egycsukású bevésőzár, univerzális csapóretesszel, beépített olajozó rendszerrel a komfortosabb működés érdekében. Balos és jobbos ajtóba egyaránt beszerelhető.
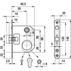
Műszaki rajz a 2. képre kattintva nagyítható.
| Típus | Cilinderes |
| Dorn méret | 55 mm |
| Kilincs - kulcsközéptáv | 55 mm |
Vélemények
Erről a termékről még nem érkezett vélemény.
Írja meg véleményét!

