Leírás és Paraméterek
A fischer gipszkartondübel GK egy olyan speciális rögzítőelem, mely nem a lap hátoldalán rögzítődik, hanem formazáróan a gipszkartonban. Egy munkaműveletben történik fúrás és becsavarás, nem szükséges külön behúzószerszám. A lap hátoldalán kevés helyigénye van.
A szakszerű használathoz szükség van a GKW fúró-behajtó szerszámra, amely külön vásárolható, vagy 100db-os rendelés esetén a dübel mellé van csomagolva.
| Gyártó Rendelési száma | 52389 |
| Szerelési mód | Közvetlen szerelés |
| Alkalmazható építőanyagokban | Gipszkartonlemezek, egyik oldalról szigetelt gipszkartonlemezek. |
| Rögzíthető tárgyak | Lámpák, lábazatlécek, kapcsolók, képkeretek, kábelcsatornák, karnisok, falécek stb. |
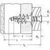
| Dübel hosszúság (l) | 22 mm |
| Min. furatmélység (t) | 25 mm |
| Max. hasznos hossz (da) | - |
| Egységcsomag | 100 db |
